Есть в сети программа Dishal для расчета кварцевых фильтров AM, SSB, CW и пр.
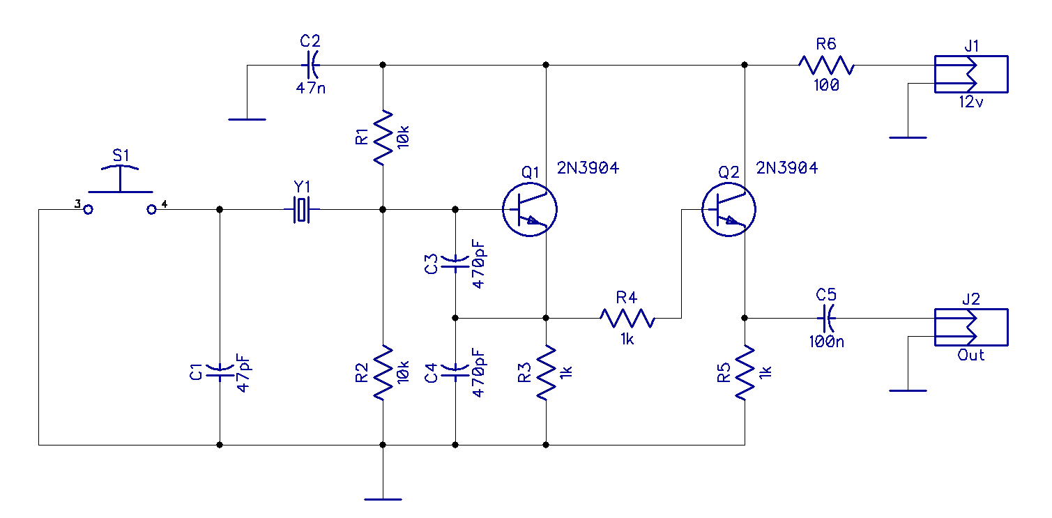
В варианте от G3UUR для осцилляторного метода определения динамических параметров кварцевого резонатора предлагается использовать генератор собранный по следующей схеме
Схема и разводка под мой вариант была сделана в DipTrace, о чем, было описано в соответствующей ветке.
На макетке это хорошо, быстро и просто, но все равно сделаю проект печатки под генератор. ИМХО "земли" на макетке не хватает!
Год назад я прикупил горку, так называемых PAL-овских резонаторов на 8,867238 мГц. Лежали у меня год и видимо столько же на заводе/в магазине, значит можно предположить, что они выдержанные. Гуру в кварце-фильтро-строительстве не рекомендуют использовать только, что изготовленные резонаторы.... Как коньяк что ли...

При первом включении меня порадовало то, что генератор завелся (странно было бы если бы он не завелся, перед монтажем на плату я для себя выбрал одно правило - проверяй, по возможности, на работоспособность то, что впаиваешь!), но не порадовала осциллограмма
Понятно, что выход генератора, построен на буферном каскаде, видимо цель была - по максимуму развязать влияние нагрузки подключенной на выход генератора - частотомер или подобный прибор.
В своем варианте - к выходу генератора я подключил замечательный прибор OSA 103 mini. Видимо выходное сопротивление генератора отличалось от входного сопротивления осы.
Если обратиться к теории буферного каскада (эмиттерного повторителя) на транзисторе, который в генераторе построен на Q2, то понятно, что выходное сопротивление данного каскада генератора низкоомное, но по ходу отличается от стандарта в 50 ом. Вход осы имеет сопротивление в 50 ом.
Чтобы это дело более менее исправить я пошел более простым путем - между выходом генератора и входом осы включил, последовательно, триммер на 1 кОм, после кручения триммера получил почти нормальную синусоиду (у меня практическое сопротивление ~66 ом)
это без нажатой кнопки S1
это с нажатой кнопкой S1
Осциллограммы копировал после 10-15-секундной выдержки для "выбега" частоты кварцевого резонатора. В правом нижнем углу видим частоту. В вариантах с нажатой и отжатой кнопкой S1 она естественно разная, вот на значение этой разности в частотах я и буду ориентироваться при выборе кварцевых резонаторов для расчета и постройки фильтра.
Изучив многочисленную практическую и теоретическую информацию по использованию данного генератора для отбора резонаторов усвоил два момента:
1. Для совпадения расчетных и практических результатов перед отбором кварцевых резонаторов стоит измерить реальную емкость конденсаторов генератора, а именно C1, C3 и C4. В моем случае результаты следующие: С1 - 47пф, C3 - 464пф и C4 - 458пф. China-пром, что поделать. Хотя.... измерю ка я их еще и осой, для пущей надежности.
2. Так как радиоэлектроника это наука о контактах, то я решил исследуемые резонаторы впаивать в схему генератора на PLS штырьки. Видел я разницу показаний между приложенным и впаянным конденсатором к выводам измерительного прибора.
Если кто из коллег использовал данный генератор для отбора кварцевых резонаторов, поделитесь опытом и полученным результатом при реально рассчитанным и построенном фильтре.