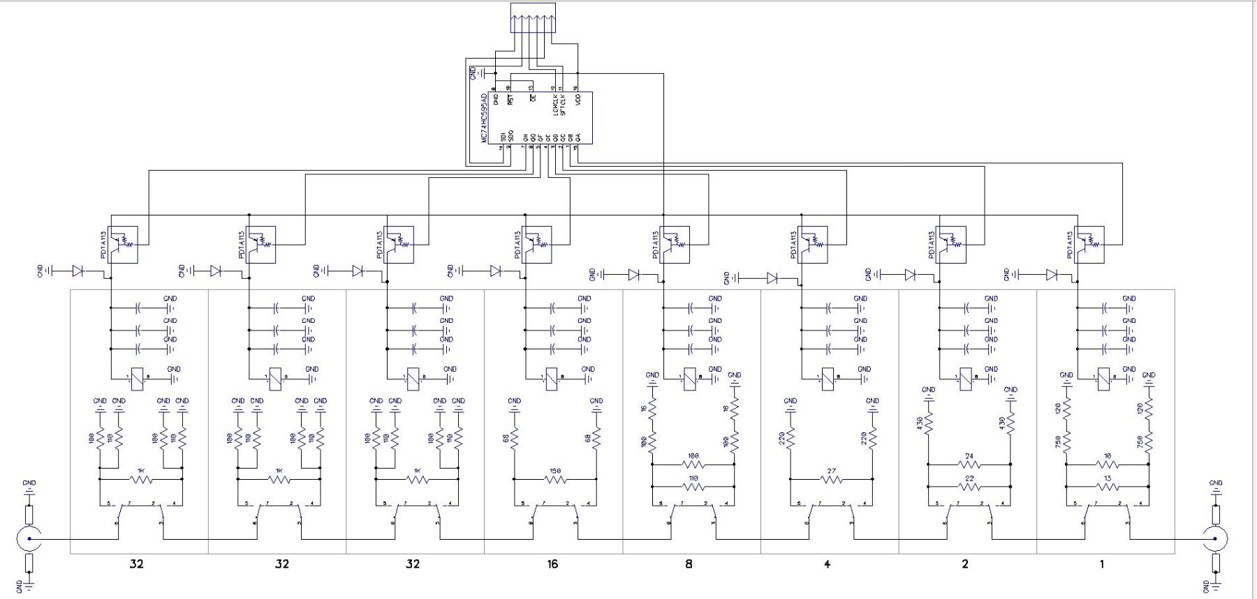
Вот и я задумал собрать себе подобную вещь, но на реле, что бы можно было удобно управлять при помощи МК и энкодера. Тем более, что значение ячеек АТТ (1,2,4,8,16,32,32,32) прямо таки напрашивалось для цифрового управления

Собственно, перерисовываю схему в мой любимый DipTrace И трассирую печатную плату Ссылка на заказ этих плат у китайцев
Помимо реле, добавлена микросхема сдвигового регистра и цифровые транзисторы для управление релюшками.
К стати о реле, их существует несколько модификаций будьте внимательны, так как нужны вот такие с буковкой "S":
И на напряжение 5 вольт
Купить можно на алиэкспресс
Испытания на тестовом стенде с OSA103mini показали прекрасные результаты: Все равномерно и предсказуемо давится аттенюатором. Но бОльшие ослабления, ОСОй не посмотришь.
Подключаю на выход АТТ свой FT-857 и если честно, то я в шоке.
Аттенюатор без экранов, да и еще все раскидано "ёжиком" по столу и трансиверу, уже позволяет измерять реальную чувствительность приемников.
Удачная разводка однако! При расчетном уровне напряжения 0.04uV (входное 100mV) на трансивере почти не слышно сигнал. Это успех!
Надо теперь макет привести в порядок и попробовать сделать измерения моего АТТ на более серьезном оборудовании. Но уже сейчас готов рекомендовать к повторению.
Ну и наконец-то изготовил контроллер для аттенюаторов:
Схема, плата, герберы:
Cкетч для ардуино:
Ну и конечно корпус:
За программу тапками в меня не кидаться, код писан сторонним человеком за денежку, но я так и не смог объяснить программисту, что такое децибел.
Ну и мой видеоролик про данный АТТ
Есть лишних три комплекта по две платы, готов отдать безвозмездно, с вас оплата почтовых расходов.
ПЛАТЫ ЗАКОНЧИЛИСЬ