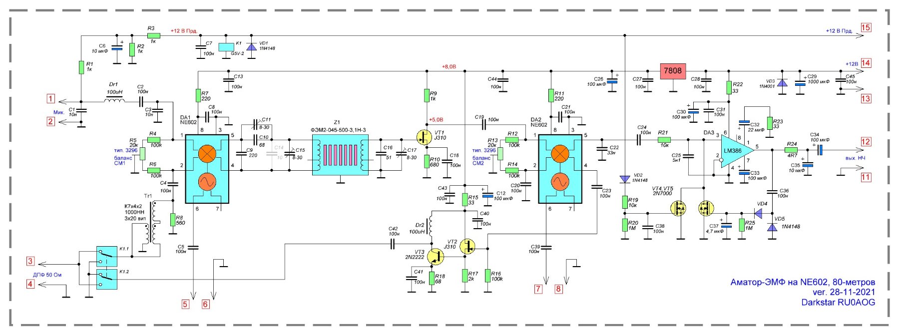
Простенькая схемка Аматора. Её не мусолил только ленивый, то есть я

На форуме 24dx я как-то брался ковырять это дело, но в то время как-то не зашло.
Тормознулся на самопроверке через WebSDR. Приёмник отключили и как-то пропало желание ковырять тракт.
Теперь есть некоторые приборы и эфир на первых порах не потребуется.
За начальный образец беру схему с форума US5MSQ с небольшими изменениями. 1. По входу РЧ стоит автотрансформатор 1:9, нагруженный на резистор R8
что позволяет мало-мальски согласовать низкоомный 50-омный выход ДПФ с входом SA612.
2. Реле К1 установлено для замыкания вывода 2 DA1 на землю при передаче. В предыдущей версии платы возникал самовозбуд тракта по этой причине.
3. Добавил на плату согласующих конденсаторов для ЭМФ, чтобы можно было их установить при необходимости.
Изначально я не планировал переносить на основную плату первый каскад УМ. Вывод 4 DA2 должен был замыкаться контактами реле К1.2 на землю при приёме. Но на форуме US5MSQ сделали так, и вроде получили положительный результат. Так что и я попробую

4. В прошлый раз я пытался ввести регулируемое усиление и АРУ ПЧ, но сейчас вижу, что игра не стоит свеч - параметры конструкции существенно не улучшатся, а схема неоправданно усложнится.
5. Также подумывал об установке LC-фильтра по ЗЧ перед DA3 из магнитофонной головки. Но также отбросил эту идею - ЭМФ даёт достаточную фильтрацию при приёме. И этот фильтр будет лишним.
6. S-метр не вводил, ибо опять усложнение.